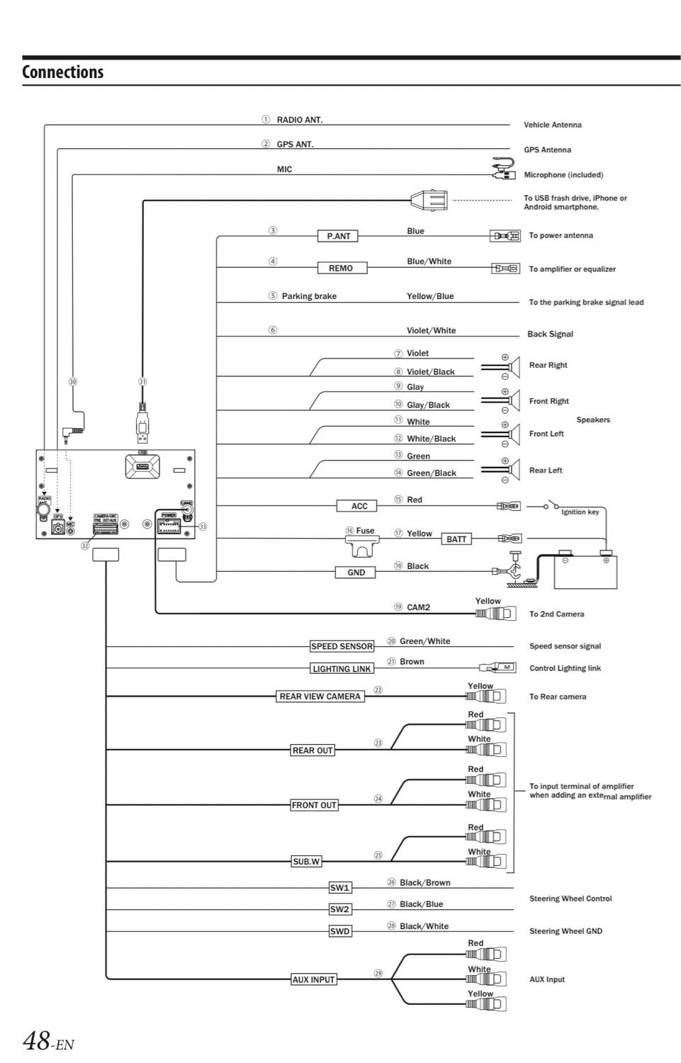
สวัสดีครับพอดีผมได้จอวิทยุAlpine 2din
ilx-w770e เรื่องสายต่อศึกษามาพอสมควร แต่ยังไม่ได้ต่อกับรถ แต่เทียบสายกันแล้ว สายไฟหรี่ ไม่มีให้ต่อ มีแต่สาย (lighting link) อยู่ในปลั๊กชุดRCA น่าจะเกี่ยวกับไฟเครื่องเสียง เพราะลองต่อกับแบตข้างนอกแล้ว ไฟหน้าจอ หรี่เองเหมือนหน้าจอมือถือเรา ส่วนปุ่มควบคุมพวงมาลัย ทางร้านแจ้งว่าไม่ต้องต่อกล่องcanbus (nissan sylphy 1.6v 2013)
( ขออนุญาติเจ้าของภาพครับ)
คุมไม่ได้มีฟังชั่นอะไรมากมาย
ถามพี่ๆสมาชิก ปกติจอ alpine ต้องต่อกล่อง canbus ไหม
สาย swc1,2 และ swcGND อยู่ในชุดสายRCA
อีกสายนึง (speed senser) หน้าที่มันคืออะไรครับ ทำไมมันโยงไปที่จอวิทยุ
(อ้างอิงมาจากคู่มือAlpine)
ส่วนสายparking brake ต่อเข้ากับสายGNDของจอวิทยุได้เลยไหมครับ หรือควรเเยกลงตัวถังต่างหาก
-อีกคำถามนึง คู่มือเขาเเจ้งให้ ถ้ารถไม่มีไฟสำรองACC ต้องต่อสวิทช์ควบคุมแยกต่างหาก ไม่งั้น จอจะใช้ไฟเยอะจนหมด เขาว่าอย่างงั้นครับ ผมจำเป็นต้องต่อสวิทช์แยกไหมครับ เพราะระบบกุญเเจเป็นแบบปุ่ม push start (Keyless) ผมยังไม่ค่อยเข้าใจระบบนี้เลย สายACCที่ต่อเข้าจอวิทยุเนี่ย จ่ายไฟยังไงครับ ต่อแบบสวิทช์เปิด-ปิดหลอดไฟปกติหรือเปล่า ถ้าต้องต่อสวิทช์ ผมจะต่อจากสายACCปลั๊กตรงรุ่นโยกไปเข้าสวิทช์ แล้วออกมาเข้าที่สายACCของจอวิทยุ

(อ้างอิงมาจากคู่มือalpine)
ยิ่งพิมพ์ยิ่งสับสน ขอโทษพี่สมาชิกด้วยครับ ถ้าอ่านแล้วสับสน ขอบคุณครับ
ต่อสายจอวิทยุ Alpine
ilx-w770e เรื่องสายต่อศึกษามาพอสมควร แต่ยังไม่ได้ต่อกับรถ แต่เทียบสายกันแล้ว สายไฟหรี่ ไม่มีให้ต่อ มีแต่สาย (lighting link) อยู่ในปลั๊กชุดRCA น่าจะเกี่ยวกับไฟเครื่องเสียง เพราะลองต่อกับแบตข้างนอกแล้ว ไฟหน้าจอ หรี่เองเหมือนหน้าจอมือถือเรา ส่วนปุ่มควบคุมพวงมาลัย ทางร้านแจ้งว่าไม่ต้องต่อกล่องcanbus (nissan sylphy 1.6v 2013)
( ขออนุญาติเจ้าของภาพครับ)
คุมไม่ได้มีฟังชั่นอะไรมากมาย
ถามพี่ๆสมาชิก ปกติจอ alpine ต้องต่อกล่อง canbus ไหม
สาย swc1,2 และ swcGND อยู่ในชุดสายRCA
อีกสายนึง (speed senser) หน้าที่มันคืออะไรครับ ทำไมมันโยงไปที่จอวิทยุ
(อ้างอิงมาจากคู่มือAlpine)
ส่วนสายparking brake ต่อเข้ากับสายGNDของจอวิทยุได้เลยไหมครับ หรือควรเเยกลงตัวถังต่างหาก
-อีกคำถามนึง คู่มือเขาเเจ้งให้ ถ้ารถไม่มีไฟสำรองACC ต้องต่อสวิทช์ควบคุมแยกต่างหาก ไม่งั้น จอจะใช้ไฟเยอะจนหมด เขาว่าอย่างงั้นครับ ผมจำเป็นต้องต่อสวิทช์แยกไหมครับ เพราะระบบกุญเเจเป็นแบบปุ่ม push start (Keyless) ผมยังไม่ค่อยเข้าใจระบบนี้เลย สายACCที่ต่อเข้าจอวิทยุเนี่ย จ่ายไฟยังไงครับ ต่อแบบสวิทช์เปิด-ปิดหลอดไฟปกติหรือเปล่า ถ้าต้องต่อสวิทช์ ผมจะต่อจากสายACCปลั๊กตรงรุ่นโยกไปเข้าสวิทช์ แล้วออกมาเข้าที่สายACCของจอวิทยุ
(อ้างอิงมาจากคู่มือalpine)
ยิ่งพิมพ์ยิ่งสับสน ขอโทษพี่สมาชิกด้วยครับ ถ้าอ่านแล้วสับสน ขอบคุณครับ