หน้าแรก
คอมมูนิตี้
ห้อง
แท็ก
คลับ
ห้อง
แก้ไขปักหมุด
ดูทั้งหมด
เกิดข้อผิดพลาดบางอย่าง
ลองใหม่
แท็ก
แก้ไขปักหมุด
ดูเพิ่มเติม
เกิดข้อผิดพลาดบางอย่าง
ลองใหม่
{room_name}
{name}
{description}
กิจกรรม
แลกพอยต์
อื่นๆ
ตั้งกระทู้
เข้าสู่ระบบ / สมัครสมาชิก
เว็บไซต์ในเครือ
Bloggang
Pantown
PantipMarket
Maggang
ติดตามพันทิป
ดาวน์โหลดได้แล้ววันนี้
เกี่ยวกับเรา
กฎ กติกา และมารยาท
คำแนะนำการโพสต์แสดงความเห็น
นโยบายเกี่ยวกับข้อมูลส่วนบุคคล
สิทธิ์การใช้งานของสมาชิก
ติดต่อทีมงาน Pantip
ติดต่อลงโฆษณา
ร่วมงานกับ Pantip
Download App Pantip
Pantip Certified Developer
คำนวณ ไฟฟ้า
กระทู้คำถาม
วิศวกรรมศาสตร์
พลังงานไฟฟ้า
ฟิสิกส์
ไฟฟ้า
Electric Scooter
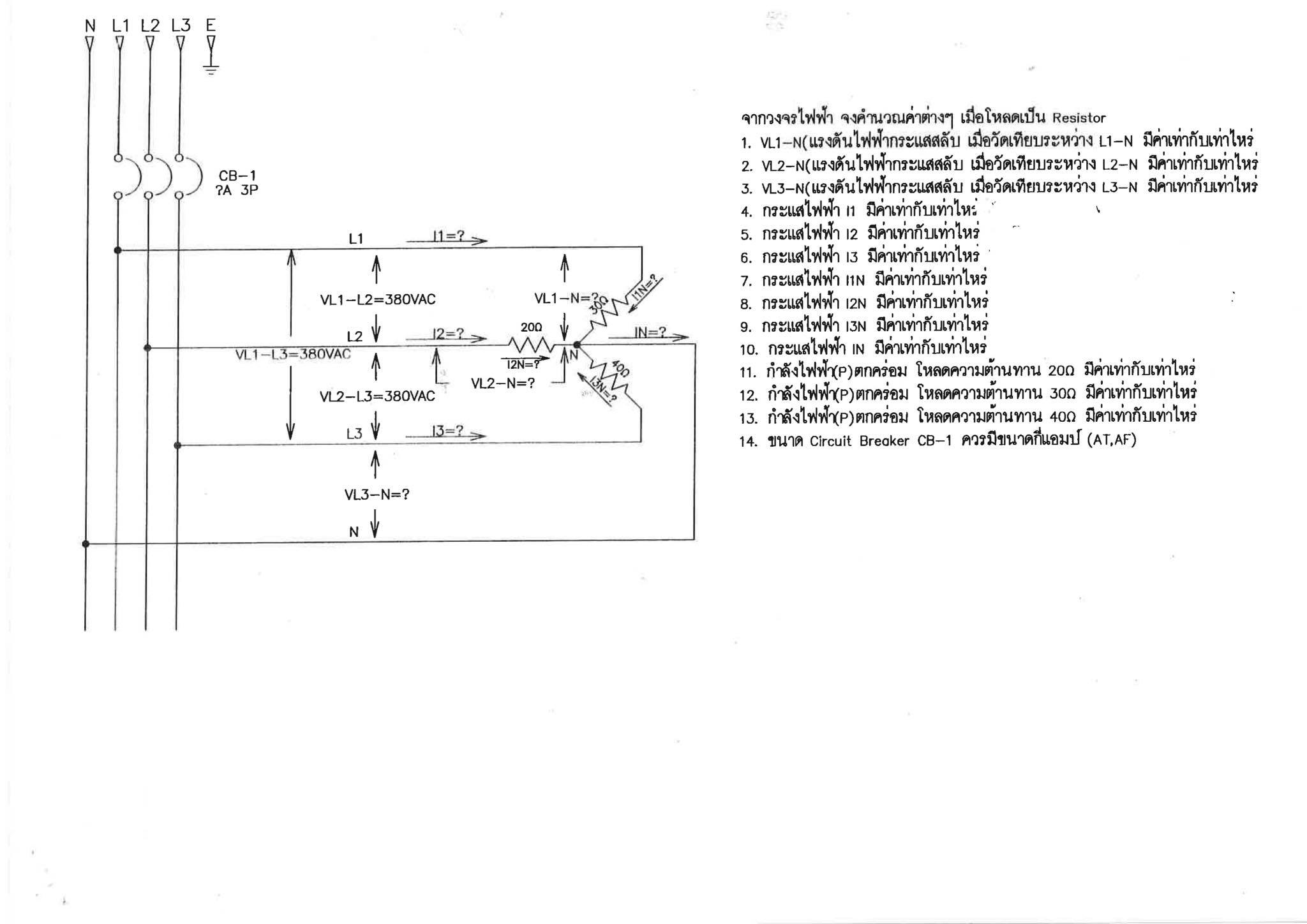
ฝากพี่ ๆ ช่วยรบกวน สอนหน่อยครับ ขอบคุณครับ
▼
กำลังโหลดข้อมูล...
▼
แสดงความคิดเห็น
กระทู้ที่คุณอาจสนใจ
อาจจะได้เดินทางในอวกาศแบบมีอิสระมากขึ้นในอนาคตอันใกล้นี้
ผลลัพธ์ขึ้นกับว่าเราอยู่ในสภาพแวดล้อมไหน (วงโคจรใกล้โลก, ในระบบสุริยะใกล้ดวงอาทิตย์, หรือระหว่างดาราจักร) เพราะ “ความหนาแน่นของแก๊ส/พลาสมา” ต่างกันหลายเท่า — น้อยมากจนในหลายกรณีการตั
สมาชิกหมายเลข 9132353
EMP จากการปะทะของกฎฟิสิกส์
## 🌌 EMP จากการปะทะของกฎฟิสิกส์ (Interdimensional EMP) หากการทดลองที่ CERN หรือปรากฏการณ์อื่นใดเปิด "ประตูมิติ" หรือจุดเชื่อมต่อระหว่างจักรวาล (Interdimensional Portal) ผลกระทบของ EMP ทั่วโ
สมาชิกหมายเลข 8027331
หาตนเองไม่เจอในเรื่องวิศวกรรม เรียนเกี่ยวกับไฟฟ้าและโค้ดแต่โลภมากอยากรู้เรื่องของเมคานิคด้วย
ผมไม่อยากจำกัดความรู้เกี่ยวกับไฟฟ้าอย่างเดียว ผมอ่อนเรื่องโค้ดและฟิสิกส์มาก เปิดเทอมมาผมเริ่มได้ไม่ดีเท่าไหร่ ทำโปรเจคมากกว่าสนใจเรื่องการเรียน ส่วนเรื่องกลไกผมวาดในกระดาษและCADเผื่อจะสร้างขึ้นมาเมื่
สมาชิกหมายเลข 8686672
อีแว้นคืนชีพ! suzuki e-vanvan ไฟฟ้าคนบ้า หน้าตาเหมือนหมาไส้กรอก
https://www.motorival.com/suzuki-e-vanvan/
สมาชิกหมายเลข 8930230
ชาร์จรถมอเตอร์ไซค์ ไฟฟ้าลัดวงจร หวิดย่างสดเจ้าของ
เจ้าของร้านจำหน่ายถุงพลาสติกทางการแพทย์ ชาร์จรถยนต์ไฟฟ้าเอาไว้หน้าบ้าน ก่อนจะเกิดเหตุไฟฟ้าลัดวงจร ทำให้เครื่องชาร์จเกิดไฟลุกไหม้ขึ้น #ไฟไหม้ #รถไฟฟ้า #รถยนต์ไฟฟ้า https://www.youtube.com/watch?v
สมาชิกหมายเลข 4755513
การคำนวณจำนวนของthermoelectric cooler
อยากทราบสูตรการคำนวณ วิธีการคิด เช่น ต้องการไฟฟ้า24watt ต้องใช้thermoelectric กี่อันโดยอุณหภูมิต่างกัน 40 องศาเซลเซียล แบบนี้เป็นต้น พอดีหาเจอแต่ที่แบบเป็นgenerator ครับ
สมาชิกหมายเลข 7520510
โดยทั่วไป UPS ที่สภาวะไม่มีโหลดกินไฟเท่าไหร่ครับ
ผมจะใช้ไฟฟ้าจากโซล่าเซลล์สำหรับคอมพิวเตอร์และพัดลมเมื่อใช้งานกลางวัน จึงรื้อ UPS เก่านำไปประกอบเป็น inverter pure sine wave ตอนนี้ยังไม่ได้ซื้อแผงโซล่าเซลล์เพราะมันใหญ่ใส่ Civic ผมไม่ได้ และแบตเตอรี่ท
Like สาระ?
มอเตอร์ไซค์ไฟฟ้า EV ที่วิ่งได้ไกลที่สุด คือยี่ห้อไหน รุ่นไหนครับ ?
มอเตอร์ไซค์ไฟฟ้า EV ที่วิ่งได้ไกลที่สุด คือยี่ห้อไหน รุ่นไหนครับ ? ถ้าบอกราคาด้วยก็จะดีมากเลยครับ
สมาชิกหมายเลข 2213332
ลู่วิ่งไฟฟ้ายี้ห้อหนึ่ง ทำไมต้องเชื่อมสายไฟแผ่นรองวิ่ง
หมดประกันแล้วหลายปี ผมถอดมาทำความสะอาด เจอสิ่งนี้เข้า เขาเชื่อมสายไฟโครงเหล้กกับแผ่นรองวิ่ง ที่วัสดุหลักเป็นไม้ แต่วัสดุปิดผิวไม่รู้ว่ามันคืออะไร แต่ด้วยความสงสัยผมลองเอาโอมมิเตอร์วัดแผ่นนี้มันก็ไม่ไ
สมาชิกหมายเลข 4644253
'อีวี-สันดาป-ไฮบริด' แบบไหนที่ใช่? ตามช่วงวัยผู้ใช้รถ'
'อีวี-สันดาป-ไฮบริด' แบบไหนที่ใช่? ตามช่วงวัยผู้ใช้รถมา https://www.facebook.com/share/p/1F1fMFRs4Q/?mibextid=wwXIfr บริษัท อิปซอสส์ จำกัด (Ipsos Ltd.) ผู้นำระดับโลกด้านการวิจัยตลาดและสำรวจความคิดเ
สมาชิกหมายเลข 2933266
อ่านกระทู้อื่นที่พูดคุยเกี่ยวกับ
วิศวกรรมศาสตร์
พลังงานไฟฟ้า
ฟิสิกส์
ไฟฟ้า
Electric Scooter
บนสุด
ล่างสุด
อ่านเฉพาะข้อความเจ้าของกระทู้
หน้า:
หน้า
จาก
แชร์ :
โปรดศึกษาและยอมรับนโยบายข้อมูลส่วนบุคคลก่อนเริ่มใช้งาน
อ่านเพิ่มเติมได้ที่นี่
ยอมรับ
คำนวณ ไฟฟ้า
ฝากพี่ ๆ ช่วยรบกวน สอนหน่อยครับ ขอบคุณครับ