หน้าแรก
คอมมูนิตี้
ห้อง
แท็ก
คลับ
ห้อง
แก้ไขปักหมุด
ดูทั้งหมด
เกิดข้อผิดพลาดบางอย่าง
ลองใหม่
แท็ก
แก้ไขปักหมุด
ดูเพิ่มเติม
เกิดข้อผิดพลาดบางอย่าง
ลองใหม่
{room_name}
{name}
{description}
กิจกรรม
แลกพอยต์
อื่นๆ
ตั้งกระทู้
เข้าสู่ระบบ / สมัครสมาชิก
เว็บไซต์ในเครือ
Bloggang
Pantown
PantipMarket
Maggang
ติดตามพันทิป
ดาวน์โหลดได้แล้ววันนี้
เกี่ยวกับเรา
กฎ กติกา และมารยาท
คำแนะนำการโพสต์แสดงความเห็น
นโยบายเกี่ยวกับข้อมูลส่วนบุคคล
สิทธิ์การใช้งานของสมาชิก
ติดต่อทีมงาน Pantip
ติดต่อลงโฆษณา
ร่วมงานกับ Pantip
Download App Pantip
Pantip Certified Developer
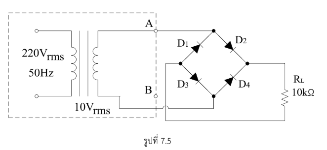
จากวงจรข้างต้น output ที่ได้นั้นเหมาะสำหรับเป็นแหล่งจ่ายกำลังไฟฟ้ากระแสตรงหรือไม่?
กระทู้คำถาม
วงจรไฟฟ้า
เพราะอะไร และมีวิธีปรับปรุงอย่างไร?
▼
กำลังโหลดข้อมูล...
▼
แสดงความคิดเห็น
กระทู้ที่คุณอาจสนใจ
ช่วยออกแบบวงจรแหล่งจ่ายไฟฟ้ากระแสตรง แบบปรับค่าได้ถึง 50 VDC ใช้หม้อแปลง 31-0-31 หรือ 33-0-33 มากกว่า 1.5 A หน่อยครับ
สมาชิกหมายเลข 4620793
โดยทั่วไป UPS ที่สภาวะไม่มีโหลดกินไฟเท่าไหร่ครับ
ผมจะใช้ไฟฟ้าจากโซล่าเซลล์สำหรับคอมพิวเตอร์และพัดลมเมื่อใช้งานกลางวัน จึงรื้อ UPS เก่านำไปประกอบเป็น inverter pure sine wave ตอนนี้ยังไม่ได้ซื้อแผงโซล่าเซลล์เพราะมันใหญ่ใส่ Civic ผมไม่ได้ และแบตเตอรี่ท
Like สาระ?
แซมมวล มอร์ส(ค.ศ.1791-1872) ผู้คิดโทรเลข พระเจ้าได้ดลบันดาลใจเขา
(หน้าปก) แซมมวล มอร์ส ผู้คิดโทรเลข (แผ่นรองหน้าปก1) แซมมวล มอร์ส ผู้คิดโทรเลข โดย วิลมา พิทชฟอร์ด เฮส์ วิภา จุลชาต แปลจาก Samuel Morse and the Electronic Age by Wilma Pitchford Hays สำนักพิมพ์ก
สมาชิกหมายเลข 9064969
วงจรนี้ต้องใช้ไอซีเบอร์อะไรครับ
สมาชิกหมายเลข 9046521
หาพี่ๆที่เรียนวิศวะหรือมีความรู้ด้านการออกแบบวงจรไฟฟ้าค่ะ
หาพี่ๆที่เรียนวิศวะหรือมีความรู้ด้านการออกแบบวงจรไฟฟ้าแบบ wiring diagramค่ะ อยากปรึกษาแนวทางการออกแบบวงจรค่ะ ทิ้งช่องทางการติดต่อไว้ได้เลยนะคะ หรือใครมีแนะนำสามารถมาให้คำแนะนำได้นะคะะ ด่วนม้าก
สมาชิกหมายเลข 9043150
สอบถามค่าใช้จ่า ไฟ 3 เฟส วงจร 2 รถไฟฟ้า
สวัสดีครับ พอดีที่บ้านจะติดตั้งเครื่อง ชาร์จรถไฟฟ้า เผื่อ22 kw เลยอยากเปลี่ยนไฟที่ใช้อยู่ จาก 3 เฟส 15/45 เป็น 3 เฟส 30/100 นะครับ ทีนี้ช่างเขาส่งใบเสนอราคามาประมาณนี้ ผมเองไม่รู้เรื่องราคามากนัก เลยร
Zoomj
วงจรเรโซแนนซ์ในคอนเวอร์เตอร์
ยกตัวอย่างวงจรพุชพูลคอนเวอร์เตอร์ โดยมีแหล่งจ่ายแรงดันไฟฟ้ากระแสตรงประมาณ 12 โวลต์ เหตุใดเมื่อเราจ่ายสัญญาณพัลส์ให้มอสเฟต 2 ตัว หลังมอตเฟตจึงเป็นสัญญาณรูปคลื่นไซน์ได้เกิดจากอะไรครับ โดยห
สมาชิกหมายเลข 4452797
หม้อแปลงฝั่ง Output สามารถใช้แรงงานดัน 2 ค่าพร้อมกันได้ไหม 6V กับ 12V
มีหม้อแปลง UPS เก่าอยู่ จะเอามาใช้งานลองรื้อดูพบว่าฝั่งขาออกมีขดลวด 2 ขด ขนานกันอยู่แรงดัน 6V (รูปข้อ1) ได้แกะลวดที่มันเชื่อมขนานกันแล้วต่ออนุกรมกันได้แรงดัน 12V (ข้อ 2) มีความสงสัยว่าหากเราใช้จุดที่เ
สมาชิกหมายเลข 1802062
ดราม่าเสาไฟเชียงใหม่ 60ต้น 9.8ล้าน แพงเกิน
เมื่อวันที่ 7 กรกฎาคม 2568 ที่ จ.เชียงใหม่ ผู้สื่อข่าวรายงานว่า เกิดประเด็นดราม่าในโลกโซเชียลขึ้นมาทันที หลังนายวรพจน์ กองเงิน ทีมงานนางสาวเพชรรัตน์ ใหม่ชมภู สส.จังหวัดเชียงใหม่ เขต 1 พรรคประชาชน โพสต
ทาสแมว
ต่อวงจรไม่เป็นครับช่วยหน่อยกลัว วงจรพัง !!!
step คือ ไฟบ้าน -> timer -> มอเตอร์ คือ ผมงงAD DC มากครับ คือ ผมจะหาตัวหม้อแปลงแต่มันแพงมั้ง ปัญหา output มันน้อยเกิน พี่เขาคนนู้นก็ให้แหล่งจ่ายเป็นถ่านดีกว่า แล้วหา timer second DC คือ ผมต้อ
สมาชิกหมายเลข 2825147
อ่านกระทู้อื่นที่พูดคุยเกี่ยวกับ
วงจรไฟฟ้า
บนสุด
ล่างสุด
อ่านเฉพาะข้อความเจ้าของกระทู้
หน้า:
หน้า
จาก
แชร์ :
โปรดศึกษาและยอมรับนโยบายข้อมูลส่วนบุคคลก่อนเริ่มใช้งาน
อ่านเพิ่มเติมได้ที่นี่
ยอมรับ
จากวงจรข้างต้น output ที่ได้นั้นเหมาะสำหรับเป็นแหล่งจ่ายกำลังไฟฟ้ากระแสตรงหรือไม่?
เพราะอะไร และมีวิธีปรับปรุงอย่างไร?