คำตอบที่ได้รับเลือกจากเจ้าของกระทู้
ความคิดเห็นที่ 1

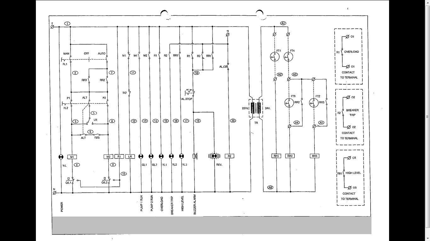
ดูจากวงจรแล้วก็ใช้ ลูกลอย 24 VAC
หาชื้อได้ทั่วไป ทำหน้าที่เป็นสวิทช์ธรรมดาครับ
ปลดไฟออกลองวัดโอมห์ดูที่ลูกลอยก่อนก็ได้ ว่าต่อกันปกติไหม
ถ้าลูกลอยปกติ ลองรันโดยการจั๊มป์ไฟดูที่คอนเน็คเตอร์ก็ได้ ว่าตอนรันออโต้วงจรสามารถทำงานได้ไหม ( จำลองการทำงานของลูกลอย )
ถ้าทำงานได้ก็แสดงว่าวงจรลูกลอยไม่ทำงาน เช็คหม้อแปลง 24 VACก่อนเลย ว่าใช้ได้ไหม เช็คฟิวส์ด้วยถ้ามีนะ
ถ้าทำงานไม่ได้ก็วงจรควบคุมเสีย ตามวงจรก็มีซีเร็คเตอร์สวิทช์เช็คดูว่าปกติไหม ลองสับเป็น ออโต้ ดูว่ารีเลย์ทำงานหรือไม่ ถ้ารีเลย์ไม่ทำงานก็ดูว่ารีเลย์เสียหรือไม่ หรือว่าสายหลุด
ผมว่าวงจรส่งมาให้ไม่หมดนะ ขาดวิธีการต่อลูกลอยกับคอนเน็กเตอร์
เอ๋ วงจรปั๊มน้ำในโรงงานอุตสาหกรรม ใช่หรือป่าว วงจรคุ้นๆ

ดูจากวงจรแล้วก็ใช้ ลูกลอย 24 VAC
หาชื้อได้ทั่วไป ทำหน้าที่เป็นสวิทช์ธรรมดาครับ
ปลดไฟออกลองวัดโอมห์ดูที่ลูกลอยก่อนก็ได้ ว่าต่อกันปกติไหม
ถ้าลูกลอยปกติ ลองรันโดยการจั๊มป์ไฟดูที่คอนเน็คเตอร์ก็ได้ ว่าตอนรันออโต้วงจรสามารถทำงานได้ไหม ( จำลองการทำงานของลูกลอย )
ถ้าทำงานได้ก็แสดงว่าวงจรลูกลอยไม่ทำงาน เช็คหม้อแปลง 24 VACก่อนเลย ว่าใช้ได้ไหม เช็คฟิวส์ด้วยถ้ามีนะ
ถ้าทำงานไม่ได้ก็วงจรควบคุมเสีย ตามวงจรก็มีซีเร็คเตอร์สวิทช์เช็คดูว่าปกติไหม ลองสับเป็น ออโต้ ดูว่ารีเลย์ทำงานหรือไม่ ถ้ารีเลย์ไม่ทำงานก็ดูว่ารีเลย์เสียหรือไม่ หรือว่าสายหลุด
ผมว่าวงจรส่งมาให้ไม่หมดนะ ขาดวิธีการต่อลูกลอยกับคอนเน็กเตอร์
เอ๋ วงจรปั๊มน้ำในโรงงานอุตสาหกรรม ใช่หรือป่าว วงจรคุ้นๆ
▼ กำลังโหลดข้อมูล... ▼
แสดงความคิดเห็น
คุณสามารถแสดงความคิดเห็นกับกระทู้นี้ได้ด้วยการเข้าสู่ระบบ
กระทู้ที่คุณอาจสนใจ
อ่านกระทู้อื่นที่พูดคุยเกี่ยวกับ
ดูแลและซ่อมแซมบ้าน
DIY เครื่องใช้ในบ้าน
เครื่องใช้ไฟฟ้า
อิเล็กทรอนิกส์
สอบถามเรื่องFloat Switch ครับ
จากDiagramรบกวนสอบถามท่านผู้รู้หน่อยครับ ว่าผมต้องใช้ลูกลอย ( FT1,FT2,FT3,FT4 ) เป็นชนิด 24VACใช่ไหมครับ หรือว่าควรใช้ชนิดไหนดีครับ
ที่จะให้ปั้มทำงานแบบออโต้ได้ (ตอนนี้แบบแมนนวลใช้งานได้ปกติ) ตอนนี้ลูกลอยแบบเดิมไม่รู้ว่าเป็นของยี่ห้อไหน รุ่นไหน เพราะมันขาดไปแล้ว และสายไฟก็เสียหายด้วย จึงจะเปลี่ยนใหม่ครับ รบกวนด้วยนะครับขอบคุณครับ