ต่อหลอดไฟผ่าน flow switch ปั๊มน้ำแรงดันคงที่ mitsubishi ได้มั้ย

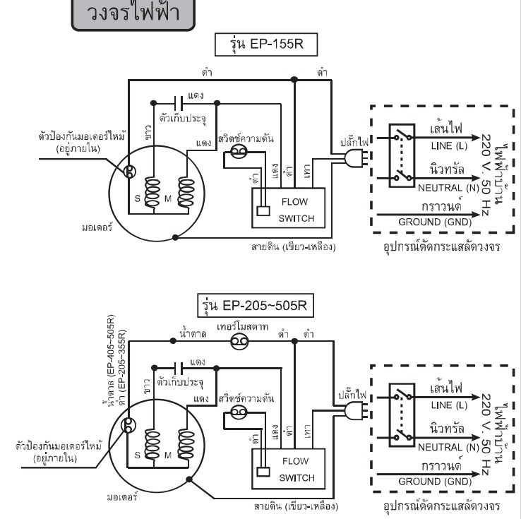
เราสามารถ ต่อหลอดไฟแสดงสถาณะ ขณะมอเตอร์ปั้มน้ำทำงาน เข้ากับสายไฟ ของ flow switch ได้มั้ยครับ โดยเอาสายสีแดง Lไฟออกจาก flow switch  และ Nสายสีดำของflow switch ไปเข้าหลอดไฟLED220v  แต่ที่ยังงงๆอยู่ทำไมเอามิเตอร์วัดไฟดูสายสีแดงที่ออกจาก flow switchที่ไปมัดรวมกันอยู่กับสายคาปาและสายมอเตอร์  กับสาย N ทำไมถึงมีไฟ220Vอยู่ตอนปั้มน้ำไม่ทำงาน แล้วถ้าผมต่อแบบที่เขียนไว้จะทำได้มั้ยครับ
แสดงความคิดเห็น
โปรดศึกษาและยอมรับนโยบายข้อมูลส่วนบุคคลก่อนเริ่มใช้งาน อ่านเพิ่มเติมได้ที่นี่