หน้าแรก
คอมมูนิตี้
ห้อง
แท็ก
คลับ
ห้อง
แก้ไขปักหมุด
ดูทั้งหมด
เกิดข้อผิดพลาดบางอย่าง
ลองใหม่
แท็ก
แก้ไขปักหมุด
ดูเพิ่มเติม
เกิดข้อผิดพลาดบางอย่าง
ลองใหม่
{room_name}
{name}
{description}
กิจกรรม
แลกพอยต์
อื่นๆ
ตั้งกระทู้
เข้าสู่ระบบ / สมัครสมาชิก
เว็บไซต์ในเครือ
Bloggang
Pantown
PantipMarket
Maggang
ติดตามพันทิป
ดาวน์โหลดได้แล้ววันนี้
เกี่ยวกับเรา
กฎ กติกา และมารยาท
คำแนะนำการโพสต์แสดงความเห็น
นโยบายเกี่ยวกับข้อมูลส่วนบุคคล
สิทธิ์การใช้งานของสมาชิก
ติดต่อทีมงาน Pantip
ติดต่อลงโฆษณา
ร่วมงานกับ Pantip
Download App Pantip
Pantip Certified Developer
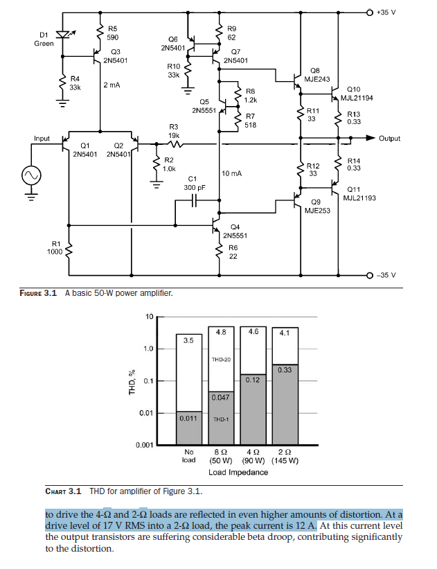
ถามเรื่องการหา Vrms และ Ipeak ของเครื่องขยายเสียงครับ
กระทู้คำถาม
อิเล็กทรอนิกส์
วิศวกรรมศาสตร์
DIY Electronic
วงจรไฟฟ้า
จากภาพ ผมเข้าใจว่า เขาจ่ายไฟ +-35V ที่โหลด 2 ohm แล้วตรง 17Vrms และตรง peak current = 2A
หาได้อย่างไรครับ
▼
กำลังโหลดข้อมูล...
▼
แสดงความคิดเห็น
กระทู้ที่คุณอาจสนใจ
มอเตอร์ไซค์สตาร์ทเท้าจอดไว้ไม่ได้ใช้งานนานจนแบตหมดเสื่อมเลยเปลี่ยนแบตเป็น Capacitor 35v 30,000uf ขนาน 2 ตัว
ปัจจุบันยังใช้งานได้ดีอยู่ ปรกติถอดแบตออกก็ใช้งานได้อยู่ แต่เเหมือนไฟฟ้าจะไม่พอเวลาบีบแตรเสียงขาด ๆ เลยหา Capacitor มาใส่แทนเบตเตอรี่ คาดว่าถ้าหมดธุระแล้วน่าจะจอดยาวอีกรอบเลยไม่อยากซื้อแบตมาใส่ให้เสี
สมาชิกหมายเลข 856501
หม้อแปลงตู้เชื่อมacเก่า สามารถนำมาดัดแปลงเป็นหม้อแปลงอินเวอร์เตอร์เพื่อแปลงไฟได้มั้ยครับ
คือผมมีหม้อแปลงตู้เชื่อมAcรุ่นเก่าอยู่ลูกนึง อยากทราบว่า หากเราจะนำมันมาดัดแปลง เพื่อใช้ทำเป็นหม้อแปลงอินเวอร์เตอร์ เพื่อแปลงไฟจากแรงดันต่ำac ไปเป็น220Ac จะได้มั้ยครับ
สมาชิกหมายเลข 9085610
ไมค์นอก ที่ใช้กับ yeasu ft25 สามารถใช้ร่วมกับรุ่นไดได้?
สวัสดีครับ ตัวไมค์นอกที่จะใช้กับ yeasu ft25/24 มันเป็นหัวของ type ไดครับ ดูแล้วมันแคบกว่า type k ที่ใช้กับเครื่องจีนทั่วไป และไม่น่าจะเป็น icom ดูไมต์ของมันในเว็บแล้วราคาเอาเรื่องอยู่ หรือถ้าใครมีวงจร
ทิดเอี่ยม
Amplify 8 ohm 20 W ควรใช้กับลำโพง สเปคไหน ปลอดภัยที่สุด
รบกวนพี่ๆด้วยครับ ผมมีวงจรตัวนึงมี IC Amplify 8 ohm 20 W เบอร์ sta339bws ต้องการต่อลำโพงแค่พอให้มีเสียงออก ผมควรเลือกใช้ลำโพง สเปคไหนดีครับ ? เคยลองเอาลำโพง 4 ohm 3 W มาต่อ ปรากฎว่าเปิดลำโพงไ
สมาชิกหมายเลข 1630860
ต้องการให้ไฟออก 220VAc 50Hz และประมาณ 80 w
รบกวนสอบถามผู้รู้อีกรอบนะคะ จากวงจรนี้พอทดลองต่อไฟเข้าจากแบต 12VDC ได้ output เป็น 239VAC 56Hz ประมาณ 24 w ซึ่งใช้กับหม้อแปลงขนาด 12 0 12 2A แต่ตอนนี้ต้องการให้กำลังไฟฟ้าได้ประมาณ 80 w เราต้องเปลี่ยนท
สมาชิกหมายเลข 4847677
ถ้าวงจร แบ่งกระแส (Current divider) R ต่อขนาน 3 ตัว ใช้อแด็ปเตอร์ 14.6 V 2 A ตัว R จะ ใช้กี่ วัตต์
จากรูปวงจร จะเห็นได้ว่า ตัว R จะ ต่อขนานกัน 3 ตัว เป็นวงจร current divider ผมจะต่อตัว R ขนานกัน เพื่อลดกระแส เพื่อนำไปชาร์จแบตเตอรี่ 12 V โดยใช้อแด็ปเตอร์ 14.6 V 2 A โดยจากวงจรจะกำหนดpower
สมาชิกหมายเลข 5086184
เราสามารถใช้ คาปาซิเตอร์3300uf 35v ต่อขนานกับคาปา10,000uf 35v ได้มั้ยคับมีนจะพังมั้ย
คาปาซิเตอร์
สมาชิกหมายเลข 8339049
วงจร Switching Power supply แหล่งจ่ายไฟ 5V 2A กับ 12V 2A ทำอย่างไร
สวัสดีครับผมอยากจะสอบถามพี่ๆผู้มีความรู้ทางด้านนี้ ผมกำลังทำ วงจร Switching Power supply แหล่งจ่ายไฟ 5V 2A กับ 12V 2A ปรับ 5V 2A ในวงจรของผมสามารถทำได้แต่พอจะ ปรับเพิ่มขึ้นไปเป็น 12V ไม่ได้ ได้แ
สมาชิกหมายเลข 6216727
ต้องการควบคุมแรงดันให้คงที่ 11 โวลท์ ตลอดเวลา ต้องใช้โมดูลวงจรแบบไหนครับ
ใช้แบตเตอรี่ 12 โวลท์ ต้องการให้จ่ายกระแส 11 โวลท์คงที่ตลอดเวลา ไม่เกิน 4 แอมป์ ต้องใช้โมดุลวงจรประเภทไหนครับ
สมาชิกหมายเลข 9160087
สอบถามเกี่ยวกับการออกแบบวงจร AC voltage controller
ผมต้องการออกแบบวงจร AC voltage controller โดยมีข้อกำหนดดังนี้ i) Input: AC 1-phase 240 Vrms 50 Hz (Normal) ii) Output power 750 ถึง 1500 วัตต์ โหลด RL ขนาด R = 32 Ω และ L = 35 mH iii) วงจรจะต้องมีขน
แกงไก่ใส่ยอดพร้าว
อ่านกระทู้อื่นที่พูดคุยเกี่ยวกับ
อิเล็กทรอนิกส์
วิศวกรรมศาสตร์
DIY Electronic
วงจรไฟฟ้า
บนสุด
ล่างสุด
อ่านเฉพาะข้อความเจ้าของกระทู้
หน้า:
หน้า
จาก
แชร์ :
โปรดศึกษาและยอมรับนโยบายข้อมูลส่วนบุคคลก่อนเริ่มใช้งาน
อ่านเพิ่มเติมได้ที่นี่
ยอมรับ
ถามเรื่องการหา Vrms และ Ipeak ของเครื่องขยายเสียงครับ
จากภาพ ผมเข้าใจว่า เขาจ่ายไฟ +-35V ที่โหลด 2 ohm แล้วตรง 17Vrms และตรง peak current = 2A
หาได้อย่างไรครับ