คำตอบที่ได้รับเลือกจากเจ้าของกระทู้
ความคิดเห็นที่ 3
จขกท หมายถึงระบบ Fuel Flow Indication ใช่มั้ยครับ ? ผมจะตอบเฉพาะระบบของเครื่องบินนะครับ ส่วนระบบของรถยนต์รอท่านอื่นมาตอบ แล้ว จขกท ก็เปรียบเทียบกันเอาเอง
ระบบ Fuel Flow Indication ของเครื่องบินนั้นจะแสดงอัตราไหลของน้ำมันเป็นน้ำหนัก มีหน่วยเป็นกิโลกรัม ( หรือเป็นปอนด์ ) โดยระบบนี้จะมี
Fuel Flow Transmitter เป็นเซนส์เซอร์วัดอัตตราการไหลของน้ำมันก่อนที่จะส่งเข้าไปในห้องเผาไม้
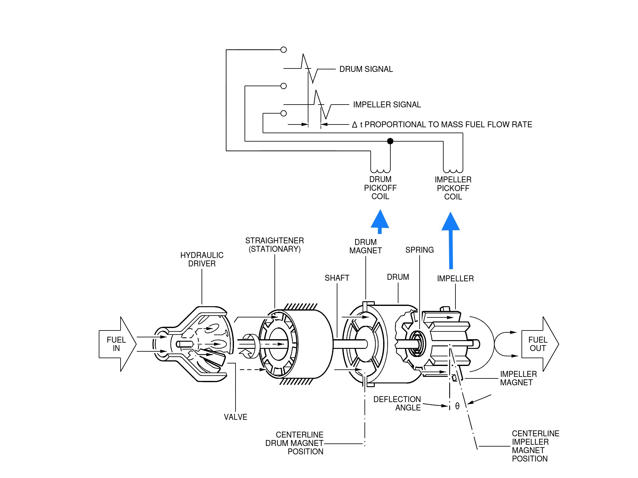
หลักการทำงานของ Fuel Flow Transmitter ตอบแบบคร่าวๆก็มีดังนี้ต่อไปนี้ครับ
1. น้ำมันไหลเข้าทาง fuel inlet ไปที่ hydraulic driver
2. Hydrualic driver จะหมุน ทำให้ shaft , drum และ impeller หมุนตามไปด้วย
3. Drum จะยึดกับ shaft โดยตรง แต่ impeller จะยึดกับ shaft ผ่านตัวสปริงอีกทีหนึ่ง
4. เมื่อน้ำมันไหลผ่าน drum และ impeller แรงจากการไหลของน้ำมันจะต้าน impeller และสู้กับสริงทำให้ impeller หมุนช้ากว่า drum และทำให้เกิด deflection angle ขึ้นมา ความแตกต่างนี้จะแปรผันตรงกับอัตราการไหลของน้ำมัน
5. ค่า pulses ที่อ่านได้จาก pickoff coil ของ drum และ impeller จะถูกส่งไปที่ EEC เพื่อประมวลผลและส่งต่อไปที่ระบบ EICAS หรือ ECAM เพื่อแสดงผลเป็น Fuel Flow Indication ในห้องนักบินต่อไปครับ
*** อันนี้เป็นตัวอย่างแบบหนึ่งที่ใช้ในเครื่องบินโดยสารในปัจจุบันนะครับ Fuel Flow Transmitter แต่ละรุ่นอาจจะมีการออกแบบและรายละเอียดแตกต่างกัน แต่ก็ใช้หลักการคล้ายๆกันครับ คือใช้แรงจากการไหลของน้ำมันมาดัน Impeller / drum และอ่านค่า deflection angle ที่เกิดขึ้นครับ***
ระบบ Fuel Flow Indication ของเครื่องบินนั้นจะแสดงอัตราไหลของน้ำมันเป็นน้ำหนัก มีหน่วยเป็นกิโลกรัม ( หรือเป็นปอนด์ ) โดยระบบนี้จะมี
Fuel Flow Transmitter เป็นเซนส์เซอร์วัดอัตตราการไหลของน้ำมันก่อนที่จะส่งเข้าไปในห้องเผาไม้
หลักการทำงานของ Fuel Flow Transmitter ตอบแบบคร่าวๆก็มีดังนี้ต่อไปนี้ครับ
1. น้ำมันไหลเข้าทาง fuel inlet ไปที่ hydraulic driver
2. Hydrualic driver จะหมุน ทำให้ shaft , drum และ impeller หมุนตามไปด้วย
3. Drum จะยึดกับ shaft โดยตรง แต่ impeller จะยึดกับ shaft ผ่านตัวสปริงอีกทีหนึ่ง
4. เมื่อน้ำมันไหลผ่าน drum และ impeller แรงจากการไหลของน้ำมันจะต้าน impeller และสู้กับสริงทำให้ impeller หมุนช้ากว่า drum และทำให้เกิด deflection angle ขึ้นมา ความแตกต่างนี้จะแปรผันตรงกับอัตราการไหลของน้ำมัน
5. ค่า pulses ที่อ่านได้จาก pickoff coil ของ drum และ impeller จะถูกส่งไปที่ EEC เพื่อประมวลผลและส่งต่อไปที่ระบบ EICAS หรือ ECAM เพื่อแสดงผลเป็น Fuel Flow Indication ในห้องนักบินต่อไปครับ
*** อันนี้เป็นตัวอย่างแบบหนึ่งที่ใช้ในเครื่องบินโดยสารในปัจจุบันนะครับ Fuel Flow Transmitter แต่ละรุ่นอาจจะมีการออกแบบและรายละเอียดแตกต่างกัน แต่ก็ใช้หลักการคล้ายๆกันครับ คือใช้แรงจากการไหลของน้ำมันมาดัน Impeller / drum และอ่านค่า deflection angle ที่เกิดขึ้นครับ***
▼ กำลังโหลดข้อมูล... ▼
แสดงความคิดเห็น
คุณสามารถแสดงความคิดเห็นกับกระทู้นี้ได้ด้วยการเข้าสู่ระบบ
Engine instrument in aircraft