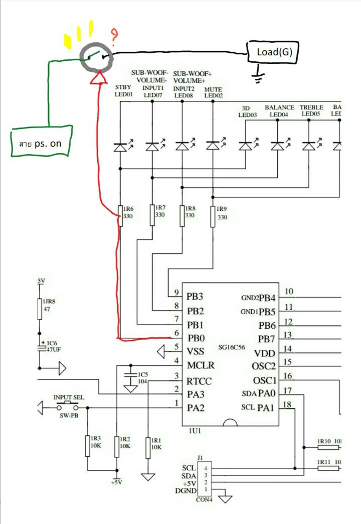
พอดีผมซื้อเครื่องเสียงมา แล้วจะพ่วงซับเบสรถยนต์ โดยใช้ไฟของ ps คอมฯ แล้วมันมีรีโมทไว้เปิดปิดชุดเครื่องเสียง เลยอยากให้ตัวที่พ่วงมันดับด้วยตอนสแตนบายเครื่องเสียงครับ ตามรูป

ซึ่งเวลาเปิดด้วยรีโมท ไฟ led จะติด อยากเอาไฟของ led ไปเปิด ps คอม เข้าเพาเวอร์แอมขับซับต่อ ต้องใช้อะไรช่วยครับ หรือมีจุดจั้มตรงไหนหรือเปล่า เหลือแค่ตรงนี้ก็จะเสร็จครับ ขอไว้เป็นความรู้
ถามเรื่องทรานซิสเตอร์สวิตซ์ในวงจรหน่อยครับ??
ซึ่งเวลาเปิดด้วยรีโมท ไฟ led จะติด อยากเอาไฟของ led ไปเปิด ps คอม เข้าเพาเวอร์แอมขับซับต่อ ต้องใช้อะไรช่วยครับ หรือมีจุดจั้มตรงไหนหรือเปล่า เหลือแค่ตรงนี้ก็จะเสร็จครับ ขอไว้เป็นความรู้