เนื่องจากเคยสร้างมาเครื่องหนึ่งแล้วแต่เป็นแบบ เลขฐานสอง ใช้งานยากวุ่นวาย (ต้องมานั่งแปลงค่า) เลยสร้างใหม่เป็นเลขฐานสิบ
คิดเลขได้ 3 หลัก , แสดงผลเลขที่ติดลบได้ , ใช้เวลาคำนวนประมาน 1-6 วินาที , ใช้งานได้สองอย่างคือ บวก กับ ลบ
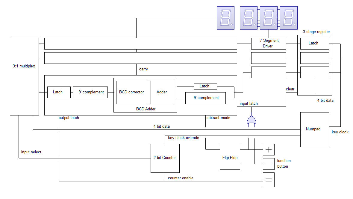
Block Diagram แบบเผางาน :p (ลืมใส่ปุ่ม AC)
ใครมีสิ่งประดิษฐ์น่าสนใจใน minecraft ก็เอามาโพสให้ดูกันมั่งนะครับ
เครื่องคิดเลขทำมือ (ด้วย minecraft)
คิดเลขได้ 3 หลัก , แสดงผลเลขที่ติดลบได้ , ใช้เวลาคำนวนประมาน 1-6 วินาที , ใช้งานได้สองอย่างคือ บวก กับ ลบ
Block Diagram แบบเผางาน :p (ลืมใส่ปุ่ม AC)
ใครมีสิ่งประดิษฐ์น่าสนใจใน minecraft ก็เอามาโพสให้ดูกันมั่งนะครับ