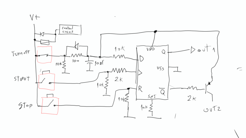
วงจรใช้ cd4013 เป็น dual d flip flop แต่ใช้แค่ข้างเดียว อีกข้างปล่อยโล่ง
วงจรเป็นแบบนี้ครับ
เบื้องต้น ปัญหาคือ
- เวลาเปิดเมนสวิทจ่ายไฟเข้าวงจร out 1 มันออนเลยครับ เป็นบ้างไม่เป็นบ้าง
- รีเลย์ตรงไฟเลี้ยง (รีเลย์ turn off ) ปกติจะเป็น nc พอวงจร turn off ทำงาน จะเป็น no หลังจาก เลิกทำงาน กลับมาเป็น nc เอาพุท 1 มันก็ออนอีก อาการนี้เป็นตั้งแต่ยังไม่ต่อโหลด ผมเลยแก้ปัญหาด้วยการใช้ R C เป็น soft start ตรงไฟเลี้ยง ปรากฎว่าแก้ได้ครับ
แต่พอต่อโหลด เป็นไฟหลอดไส้ โดยให้สัญญาณ out 1 ไปขับ optocoupler > triac > หลอดไฟ ปรากฎว่าอาการเหมือนเดิม คือเปิดเมนสวิทแล้วไฟติดทันที (แต่ไม่บ่อย เป็นบ้างบางที)
แต่จังหวะที่รีเลย์ turn off กลับมาเป็น nc จ่ายไฟให้วงจร อันนี้ไฟติดทุกที ปัญหานี้แก้ยังไงดีครับ หรือ cd4013 ไม่เหมาะกับงานแบบนี้ครับ
ใช้ D flip flop เป็นวงจรปิดเปิดเครื่องช้ไฟฟ้า แต่ไม่เสถียร แก้ปัญหายังไงดีครับ
วงจรเป็นแบบนี้ครับ
เบื้องต้น ปัญหาคือ
- เวลาเปิดเมนสวิทจ่ายไฟเข้าวงจร out 1 มันออนเลยครับ เป็นบ้างไม่เป็นบ้าง
- รีเลย์ตรงไฟเลี้ยง (รีเลย์ turn off ) ปกติจะเป็น nc พอวงจร turn off ทำงาน จะเป็น no หลังจาก เลิกทำงาน กลับมาเป็น nc เอาพุท 1 มันก็ออนอีก อาการนี้เป็นตั้งแต่ยังไม่ต่อโหลด ผมเลยแก้ปัญหาด้วยการใช้ R C เป็น soft start ตรงไฟเลี้ยง ปรากฎว่าแก้ได้ครับ
แต่พอต่อโหลด เป็นไฟหลอดไส้ โดยให้สัญญาณ out 1 ไปขับ optocoupler > triac > หลอดไฟ ปรากฎว่าอาการเหมือนเดิม คือเปิดเมนสวิทแล้วไฟติดทันที (แต่ไม่บ่อย เป็นบ้างบางที)
แต่จังหวะที่รีเลย์ turn off กลับมาเป็น nc จ่ายไฟให้วงจร อันนี้ไฟติดทุกที ปัญหานี้แก้ยังไงดีครับ หรือ cd4013 ไม่เหมาะกับงานแบบนี้ครับ