พอดีว่างๆ และของเล่นพวก MCU หรือพวกอะไหล่อิเล็กทรอนิกส์เยอะ ก็เลยลองทำอะไรเล่นๆ ดู ซึ่งพอดีว่าซื้อเครื่องกรองน้ำ RO มาติดที่บ้าน เกิดไอเดียบรรเจิด อัพเกรดให้มันเมพกว่าเดิมดีกว่า โดยใช้ MCU
ตัว Program MCU เสร็จเรียบร้อยแล้วกำลังจะเริ่มทำ PCB ครับ แต่รีบร้อนขอลองกับ bread board ก่อนเลย ตัว Program นี้อ้างอิงจาก RTC ด้วย ดังนั้นเวลาไม่เพี้ยนแน่นอน ในนี้มีการนับเวลาเปลี่ยน Filter ด้วยโดยอ้างอิงจาก RTC เพราะฉนั้นจะใช้หรือไม่ใช้ต่อไฟฟรือไม่ต่อเวลาเปลี่ยน Filter ก็ไม่เปลี่ยนแปลง โดยแสดงผลออกมาเป็นแท่งกราฟและเมื่อถึงเวลาเปลี่ยนจะมีเสียงและข้อความเตือนทุกครั้งที่ปั๊มทำงานให้รำคาญเล่น ซึ่งระยะเวลาเปลี่ยนสามารถตั้งได้ในเมนู
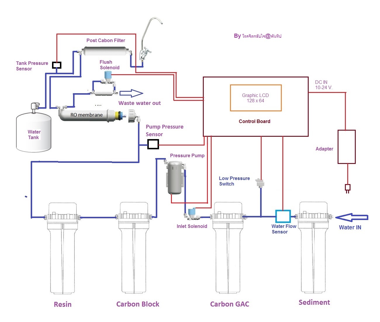
ในของเดิม ผมตัด High Pressure Switch ออกและใส่ Pressure Sensor เข้าไปทั้ง Tank และ Pump เพื่อเอาค่าแรงดันมาใช้ในการทำงานและ Safety Stop เพื่อป้องกันอุปกรณ์ เช่น Membrane หรือ Flow ตันทำให้แรงดันสูงหรือปั๊มไม่มีแรงดัน ซึ่งตรงนี้สามารถปรับเปลี่ยนค่าได้หมดตามต้องการในเมนูและแสดงผลออกมาขณะทำงานเป็นหน่วย PSI ส่วน (แรงดันสูงทีเดียว ประมาณ 120PSI) Water Flow Sensor ก็ใช้วัดน้ำที่เข้ามาในระบบว่าเข้ามาเท่าไหร่ (ไม่ได้มีประโยชน์อันใด แต่ก็ใส่ไว้ 555)
เพิ่มเติมอีกอย่างคือ Adapter ที่จ่ายไฟเข้าระบบนั้น รองรับได้กว้างคือ 10-24V เพราะฉะนั้นจะเอา Adapter อะไรก็ได้มาต่อครับ เอาแค่แรงดัน 10-24V กระแส 3A พอ เพราะภายในตัวควบคุมมีการใช้ DC-DC Converter คอยควบคุมแรงดันขาออกครับ (โมดูลสองอันเล็กๆ ด้านล่างซ้ายรูป 2)
กว่าจะถึงตอนนี้เสีย LCD 4 นิ้วไปหนึ่งตัว ซึ่งอยู่ดีๆก็ดับไปแล้วไม่ติดขึ้นอีก เลยเอาจอ OLED เล็กๆมาใช้แทน (ต้องเปลี่ยน Code แสดงผลเกือบหมด) และการใช้ MCU ตัวเล็ก เลยต้องเจอปัญหา SRAM กับ Program mem ของ MCU ไม่พอ Crash กระจุย ต้องตัดพวก Graphic สวยๆออก และแก้ไขโปรแกรมให้กิน Mem น้อยที่สุด เพราะแค่ library แต่ละโมดูลก็กิน Mem มากพอแล้ว กว่าจะเขียนจบเหนื่อยเลย
เดี๋ยวมันสมบูรณ์เมื่อไหร่จะมาต่อครับ
DIY อัพเกรดเครื่องกรองน้ำให้ทำงานได้ดีขึ้นโดยใช้ MCU
พอดีว่างๆ และของเล่นพวก MCU หรือพวกอะไหล่อิเล็กทรอนิกส์เยอะ ก็เลยลองทำอะไรเล่นๆ ดู ซึ่งพอดีว่าซื้อเครื่องกรองน้ำ RO มาติดที่บ้าน เกิดไอเดียบรรเจิด อัพเกรดให้มันเมพกว่าเดิมดีกว่า โดยใช้ MCU
ตัว Program MCU เสร็จเรียบร้อยแล้วกำลังจะเริ่มทำ PCB ครับ แต่รีบร้อนขอลองกับ bread board ก่อนเลย ตัว Program นี้อ้างอิงจาก RTC ด้วย ดังนั้นเวลาไม่เพี้ยนแน่นอน ในนี้มีการนับเวลาเปลี่ยน Filter ด้วยโดยอ้างอิงจาก RTC เพราะฉนั้นจะใช้หรือไม่ใช้ต่อไฟฟรือไม่ต่อเวลาเปลี่ยน Filter ก็ไม่เปลี่ยนแปลง โดยแสดงผลออกมาเป็นแท่งกราฟและเมื่อถึงเวลาเปลี่ยนจะมีเสียงและข้อความเตือนทุกครั้งที่ปั๊มทำงานให้รำคาญเล่น ซึ่งระยะเวลาเปลี่ยนสามารถตั้งได้ในเมนู
ในของเดิม ผมตัด High Pressure Switch ออกและใส่ Pressure Sensor เข้าไปทั้ง Tank และ Pump เพื่อเอาค่าแรงดันมาใช้ในการทำงานและ Safety Stop เพื่อป้องกันอุปกรณ์ เช่น Membrane หรือ Flow ตันทำให้แรงดันสูงหรือปั๊มไม่มีแรงดัน ซึ่งตรงนี้สามารถปรับเปลี่ยนค่าได้หมดตามต้องการในเมนูและแสดงผลออกมาขณะทำงานเป็นหน่วย PSI ส่วน (แรงดันสูงทีเดียว ประมาณ 120PSI) Water Flow Sensor ก็ใช้วัดน้ำที่เข้ามาในระบบว่าเข้ามาเท่าไหร่ (ไม่ได้มีประโยชน์อันใด แต่ก็ใส่ไว้ 555)
เพิ่มเติมอีกอย่างคือ Adapter ที่จ่ายไฟเข้าระบบนั้น รองรับได้กว้างคือ 10-24V เพราะฉะนั้นจะเอา Adapter อะไรก็ได้มาต่อครับ เอาแค่แรงดัน 10-24V กระแส 3A พอ เพราะภายในตัวควบคุมมีการใช้ DC-DC Converter คอยควบคุมแรงดันขาออกครับ (โมดูลสองอันเล็กๆ ด้านล่างซ้ายรูป 2)
กว่าจะถึงตอนนี้เสีย LCD 4 นิ้วไปหนึ่งตัว ซึ่งอยู่ดีๆก็ดับไปแล้วไม่ติดขึ้นอีก เลยเอาจอ OLED เล็กๆมาใช้แทน (ต้องเปลี่ยน Code แสดงผลเกือบหมด) และการใช้ MCU ตัวเล็ก เลยต้องเจอปัญหา SRAM กับ Program mem ของ MCU ไม่พอ Crash กระจุย ต้องตัดพวก Graphic สวยๆออก และแก้ไขโปรแกรมให้กิน Mem น้อยที่สุด เพราะแค่ library แต่ละโมดูลก็กิน Mem มากพอแล้ว กว่าจะเขียนจบเหนื่อยเลย
เดี๋ยวมันสมบูรณ์เมื่อไหร่จะมาต่อครับ