หน้าแรก
คอมมูนิตี้
ห้อง
แท็ก
คลับ
ห้อง
แก้ไขปักหมุด
ดูทั้งหมด
เกิดข้อผิดพลาดบางอย่าง
ลองใหม่
แท็ก
แก้ไขปักหมุด
ดูเพิ่มเติม
เกิดข้อผิดพลาดบางอย่าง
ลองใหม่
{room_name}
{name}
{description}
กิจกรรม
แลกพอยต์
อื่นๆ
ตั้งกระทู้
เข้าสู่ระบบ / สมัครสมาชิก
เว็บไซต์ในเครือ
Bloggang
Pantown
PantipMarket
Maggang
ติดตามพันทิป
ดาวน์โหลดได้แล้ววันนี้
เกี่ยวกับเรา
กฎ กติกา และมารยาท
คำแนะนำการโพสต์แสดงความเห็น
นโยบายเกี่ยวกับข้อมูลส่วนบุคคล
สิทธิ์การใช้งานของสมาชิก
ติดต่อทีมงาน Pantip
ติดต่อลงโฆษณา
ร่วมงานกับ Pantip
Download App Pantip
Pantip Certified Developer
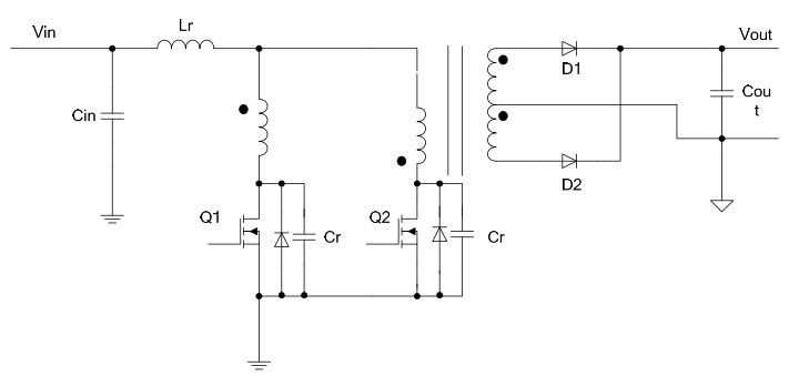
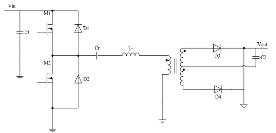
ขอคำแนะนำวงจร Drive Fet ของวงจร dc-dc converter แบบ zvs zvs,zcs ttl
กระทู้คำถาม
อิเล็กทรอนิกส์
พี่ๆ พอจะมีวงจรแนะนำใหมคะ นึกไม่ออกว่ามันจะใช้ตัวใหนไดร์ ขอบคุณคะ
แก้ไขข้อความเมื่อ
▼
กำลังโหลดข้อมูล...
▼
แสดงความคิดเห็น
กระทู้ที่คุณอาจสนใจ
ความถี่ในการสวิตชิ่งที่เหมาะสมในวงจรDC-DC converter
สวัสดีครับพี่ๆเพื่อนชาวพันทิพ พอดีผมมีงานจากอาจารย์ให้ทำDC-DC converterแล้วจะผมจะใช้Mosfet/IGBTเป็นอุปกรณ์สวิตช์แล้วอาจารย์ถามว่าจะใช้ความถี่เท่าไรผมอยากรู้ว่านอกจากดูในดาต้าชีทของอุปกรณ์สวิตชิ่งมีอย่
สมาชิกหมายเลข 8071473
ถามเกี่ยวกับวงจรBoost converterกับArduino
จากหัวข้อนะครับตอนนี้ผมมีอุปกรณ์ capacitor 470uF เเละ L ขนาด 400uH ผมต้องการBoost converter DC-DCที่รับเเรงดัน 24-40V เเละoutputออก100V ตลอดเวลาโดยยังไม่ต่อโหลด ผมอยากรู้ว่
สมาชิกหมายเลข 5894778
สอบถามผู้รู้คับอยากให้แนะนำวงจรมอตสัญญาณดิจิตอลโดยใช้FETหรือใช้อะไรก็ได้อะคับจะไปมอตกับวงจรไดร์ฟLED
อยากให้แนะนะวงจรหน่อยคับ
สมาชิกหมายเลข 5682075
วงจร DC to DC converter เสียบ่อยมาก
ผมต่อ DC-DC converter เพื่อชาร์จแบตเตอรี่ 12V 20A ที่รู้ภายหลังว่า ( แบตมันมีความเสียหาย เคยช๊อตมาก่อน) ปรากฎว่ามันทำให้ มันทำให้ วงจร DC-DC conve
สมาชิกหมายเลข 6724979
ซ่อม Dc - Dc Buck Converter ที่เสียหาซื้ออะไหล่ไม่ได้ก็เลยใช้เบอร์แทน
เรื่องนี้ต้องเริ่มจากผมใช้คอมพิวเตอร์ตอนกลางวันก็เลยคิดที่จะประหยัดไฟโดยหันมาใช้ไไฟ้าจากโซล่าเซลล์ ผมงบน้อยก็เลยใช้บั๊คคอนเวอร์เตอร์+ชาร์จเจอร์แบบ PWM โดยเจ้าบั๊คคอนเวอร์เตอที่ผมใช้ซื้อออนไลน์มาจากเมื
Like สาระ?
กระทู้อวดมัลติมิเตอร์ใหม่ครับ
มัลติมิเตอร์เข็ม SPA XY-961 TR ของผมญาติยืมไปใช้แล้วทำพังถึงขั้นระเบิดมูฟวิ่งคอยล์ยกระจุยกระจายซ่อมไม่ได้ต้องซื้อใหม่ ผมตั้งงบไว้ไม่เกิน 600 บาท แต่ให้ได้ของดีมีฟังชั่นครบก็เลยใช้เวลาดูคลิปรีวิวรุ่นต่
Like สาระ?
สงสัยเรื่องวงจร switching power supply ครับ
คือเพิ่งจะเริ่มศึกษา เกี่ยวกับวงจรไฟฟ้า อิเล็กทรอนิกส์ ครับ เผื่อเอาไว้ใช้ซ่อมแซม อุปกรณ์เล็กๆ น้อยๆ ภายในบ้านข้าง ตอนนี้ กำลังงง กับการทำงานของ วงจร swtiching power supply ครับ อย่างปกติเราต้องการ o
รองเท้าพเนจร
สอบถามการต่อวงจรกีต้าร์ HSS กับ สวิตช์3ทางหน่อยครับ
สอบถามการต่อวงจรกีต้าร์ HSS กับ สวิตช์3ทางหน่อยครับ กีต้าร์ของเดิมเป็น สตรัท hss ปกติแล้วผมไม่เล่น แก๊กผสมเลยครับ เลยอยากใส่ สวิตช์3ทางเข้าไปเลย คุมแก๊กละตัวเลยครับ ของเดิม คือ 5 ทาง สา
สมาชิกหมายเลข 6126739
เรื่องวงจร half bridge converter charger battery
คือตอนนี้ข้อมูลอยู่ใครพอมีรูปภาพหรือมีอะไรที่เกี่ยวข้องกับเรื่องแนะนำผมหน่อยได้ใหมครับ ขอบคุณครับ
สมาชิกหมายเลข 1339853
ใครพอรู้บ้างว่าจะหาอุปกรณ์อิเล็กทรอนิกส์เหล่านี้ได้ที่ไหนครับ?
ใครพอรู้บ้างว่าจะหาอุปกรณ์เหล่านี้ได้ที่ไหนครับ? คือผมจะต่อวงจร Converter UHF to VHF for Amateur Radio Satellite เป็นวงจรแปลงความถี่ย่าน UHF (435 Mhz) เป็นย่าน VHF (144 MHZ ย่านของวิทยุสมัครเล่น) สำห
Swissknife
อ่านกระทู้อื่นที่พูดคุยเกี่ยวกับ
อิเล็กทรอนิกส์
บนสุด
ล่างสุด
อ่านเฉพาะข้อความเจ้าของกระทู้
หน้า:
หน้า
จาก
แชร์ :
โปรดศึกษาและยอมรับนโยบายข้อมูลส่วนบุคคลก่อนเริ่มใช้งาน
อ่านเพิ่มเติมได้ที่นี่
ยอมรับ
ขอคำแนะนำวงจร Drive Fet ของวงจร dc-dc converter แบบ zvs zvs,zcs ttl