หน้าแรก
คอมมูนิตี้
ห้อง
แท็ก
คลับ
ห้อง
แก้ไขปักหมุด
ดูทั้งหมด
เกิดข้อผิดพลาดบางอย่าง
ลองใหม่
แท็ก
แก้ไขปักหมุด
ดูเพิ่มเติม
เกิดข้อผิดพลาดบางอย่าง
ลองใหม่
{room_name}
{name}
{description}
กิจกรรม
แลกพอยต์
อื่นๆ
ตั้งกระทู้
เข้าสู่ระบบ / สมัครสมาชิก
เว็บไซต์ในเครือ
Bloggang
Pantown
PantipMarket
Maggang
ติดตามพันทิป
ดาวน์โหลดได้แล้ววันนี้
เกี่ยวกับเรา
กฎ กติกา และมารยาท
คำแนะนำการโพสต์แสดงความเห็น
นโยบายเกี่ยวกับข้อมูลส่วนบุคคล
สิทธิ์การใช้งานของสมาชิก
ติดต่อทีมงาน Pantip
ติดต่อลงโฆษณา
ร่วมงานกับ Pantip
Download App Pantip
Pantip Certified Developer
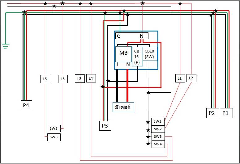
รบกวนท่านผู้มีความรู้ด้านวงจรไฟฟ้าบ้านครับ
กระทู้คำถาม
เครื่องใช้ไฟฟ้า
เพิ่งหัดเดินไฟฟ้าเอง ไม่ทราบว่า...
1.วงจรในตู้คอนซูมเมอร์และเดินสายภายในถูกต้องหรือไม่ครับ
2. MB 32 A
CB 16 A(สำหรับเต้ารับ) ใช้งานตู้เย็น หม้อหุงข้าว ไมโครเวฟ พัดลม 3-4 ตัว
CB 10 A(สำหรับหลอดไฟนีออน) ประมาณ 10-15 ดวง
พอใช้หรือไม่ครับ
กำลังจะต่อสายจากมิเตอร์แต่ไม่แน่ใจตัวเอง รอตรวจสอบจากหลาย ๆ ท่านอีกครั้งครับ
ขอบคุณล่วงหน้าครับ
▼
กำลังโหลดข้อมูล...
▼
แสดงความคิดเห็น
กระทู้ที่คุณอาจสนใจ
เต้ารับ3ตา ช่างไฟ เอาสายกราว ไปมัดรวมกับสายN แล้วเสียบแค่ รูN รูเดียว แบบนี้อันตรายไหมครับ
ตามหัวข้อเลยครับ พอดีผมไปงัดเต้ารับ ที่บ้านออกมาดู เจอว่า ช่าง เขาเอาสายดิน ไปมัดรวมกับสาย N แล้วก็เอามาเสียบที่รู N รูเดียว ส่วนอีกเต้า เขาก็เอาสายดิน ไปมัดรวมกับสาย L เเล้วก็เสียบที่รู L อย่างเดียว
สมาชิกหมายเลข 7004951
ผมเดินสายไฟติดตั้งแอร์แบบนี้ได้หรือไม่?
1)สอบถามครับผมเดินสายไฟติดตั้งแอร์แบบนี้ได้หรือไม่? โดยผมจั๊มสาย L/N ก่อนจะเข้าตู้คอนซูมเมอร์แบบในภาพ 2)เดินสายไฟแบบนี้มีผลเสียหริอไม่? 3)สังเกตุสายกราวด์ ผมต่อเข้ากับแท่งกราวด์จุดลงดินหลักแบบ
สมาชิกหมายเลข 7561625
เดินสายดินให้เต้ารับที่ผนัง
เต้ารับที่ห้องพักมันเป็นแบบมีเต้ารับ 2 ขาอยู่ 2 ชุดบวกกับสวิตช์ไฟ และสายที่เดินมามันเป็นแบบไม่มีสายดิน ที่นี้ เต้ารับชุดนี้ใช้กับไมโครเวฟอย่างเดียว เลยอยากจะเปลี่ยนเป็นเต้ารับ 3 ขา แต่ว่าสิ่งที่จะถาม
สมาชิกหมายเลข 1115623
ถามครับเครื่องทำน้ำอุ่นขนาด 3,550 w ใช้สายไฟเบอร์ 2.5 ได้ไหมครับ ส่วนเบรคเกอร์ใส่ 20 A
เครื่องทำน้ำอุ่น 3,550 w กินกระแส 3,550 หารด้วย 220 เท่ากับ 16.13 Aใส่เบรคเกอร์ ขนาด 20 A ได้ไหมครับ เดินสายจากตู้คอนซูมเมอร์มาที่เครื่องทำน้ำอุ่นจุดเดี
สมาชิกหมายเลข 7153705
ตู้คอนซูมเมอร์และสายไฟ
อยากจะสอบถามว่าตู้คอนซูมเมอร์และสายไฟใช้ยี่ห้อไหนดีครับ ที่ไม่ใช้แบรนด์ดังแต่ไม่ใช่พวกยี่ห้อที่ถูกจนทองแดงเล็กลง ตู้ที่เล็งไว้ ของ NANO เพราะสู้ราคา schneider ไม่ไหวจริงๆ ตู้มียี่ห้อไหนที่ราคาไม
สมาชิกหมายเลข 6362333
วางแผนเดินระบบวงจรไฟฟ้าแบบนี่ถูกต้องไหมครับ
วางแผนเดินสายไฟเบอร์ 6 จากเบรกเกอร์ลูกย่อย (ขนาด 32 Amh) จากตู้ consumer ที่หนึ่งไปหาแมนเบรกเกอร์ตู้ consumer ที่สอง (ขนาด 32 Amh) โดยตู้นี้สามารถใส่เบรกเกอร์ลูกย่อยตู้ได้ทั้งหมด 6 ช่อง (ตู้แบบ Plug o
MoneyTree
ระบบไฟฟ้าห้องพักอาศัย
กำลังจะเปลี่ยนระบบไฟฟ้าภายในห้องพักใหม่ทั้งระบบค่ะ ห้องขนาด 47 ตรม. ประกอบด้วย 1 ห้องรับแขก 2 ห้องนอน 1 ห้องครัว 1 ห้องน้ำ ระบบไฟฟ้าเดิมใช้งานมาไม่ต่ำกว่า 20 ปี ไม่มีตู้ Consumer Unit มีแต่คัทเอาท์แล
monick
วางแผนเดินสายแลนในบ้าน ทำผังแบบนี้ เข้าใจถูกมั้ยคะ?
ต้องการทำผังการเดินสาย จำนวนจุดวางเต้ารับไว้ไปคุยกับช่างค่ะ ไม่แน่ใจว่าผังที่เขียนขึ้นมา เข้าใจถูกต้องมั้ยคะ คำถามค่ะ 1. สายแลน ต้องการวางเผื่อระยะยาว เผื่อให้ได้ได้ความเร็วสูง ๆ ตรงตามโปรเน
มะลินิล
ผมวางผังเดินสาย ต่อตู้ตอนซูมเมอร์ถูกไหมครับ
จะเปลี่ยนตู้คอนซูมเมอร์ใหม่ (BTICINO DIN RAIL) เแต่จะทะยอยทำไปทีละส่วน โดยจะให้ตู้เก่า ต่อผ่าน MCB ตู้ใหม่แบบธรรมดา ไม่มีระบบกันดูด ส่วนสายไฟที่จะเดินใหม่ ก็จะเดินผ่านวงจร RCBO พร้อมกราวด์ เลยลองออกแ
KZi
รบกวนสอบถามครับ ... อยู่ๆ เต้ารับที่คอนโด ก็ใช้ไม่ได้ 3 จุด พร้อมกัน
**** UPDATE ***** ขอบคุณทุกๆ คอมเม้น ที่ช่วยกันหาคำตอบ และให้ความรู้ครับผม ตอนนี้ คิดว่าเจอสาเหตุแล้วครับ ดูได้จาก ความเห็นที่ 7 ครับผมม เ
A r t F u l l Y
อ่านกระทู้อื่นที่พูดคุยเกี่ยวกับ
เครื่องใช้ไฟฟ้า
บนสุด
ล่างสุด
อ่านเฉพาะข้อความเจ้าของกระทู้
หน้า:
หน้า
จาก
แชร์ :
โปรดศึกษาและยอมรับนโยบายข้อมูลส่วนบุคคลก่อนเริ่มใช้งาน
อ่านเพิ่มเติมได้ที่นี่
ยอมรับ
รบกวนท่านผู้มีความรู้ด้านวงจรไฟฟ้าบ้านครับ
1.วงจรในตู้คอนซูมเมอร์และเดินสายภายในถูกต้องหรือไม่ครับ
2. MB 32 A
CB 16 A(สำหรับเต้ารับ) ใช้งานตู้เย็น หม้อหุงข้าว ไมโครเวฟ พัดลม 3-4 ตัว
CB 10 A(สำหรับหลอดไฟนีออน) ประมาณ 10-15 ดวง
พอใช้หรือไม่ครับ
กำลังจะต่อสายจากมิเตอร์แต่ไม่แน่ใจตัวเอง รอตรวจสอบจากหลาย ๆ ท่านอีกครั้งครับ
ขอบคุณล่วงหน้าครับ